With a strong base in National Instruments LabVIEW™, to name a few, Digilogic engineers are certified using the National Instruments certification path. With multiple certifications in NI products, Digilogic’s team collectively forms one of the most knowledgeable resources in developing software for NI platforms in India.
Along with our software development, we are capable of project managing your system through its development stages. With proven project plans, our experience helps to accurately estimate and meet your expectations. Committed to providing solutions both on time and to budget, our project plans aim to reflect realistic lead and development times, allowing us to deliver your system in a timely manner.

Through evolution, Digilogic have developed software solutions from smaller data logging applications to highly functional software requiring complex software architectures. With this experience, we develop our software solutions with scalable architectures should your requirements expand or change.

Throughout the course of a project, we generate documents to help us produce the solutions you need. From the specification review through to software acceptance, these documents can be delivered with the system in a documentation pack. Software user manuals, software flow diagrams and specification compliance matrix documents are all part of the systems we deliver. These documents and any additional information you require can be provided upon software commission so you receive a greater understanding of your product.

With our background and expertise, Digilogic recognise the critical milestones within your project. Regardless of your project requirements including software or hardware components, we can aid and assist you in the timely development of your system.
Typically, we endeavour to be involved from initial conception, helping with analysis and requirement specification through to continual system support. Alternatively, we can provide support at more specific points within your project.
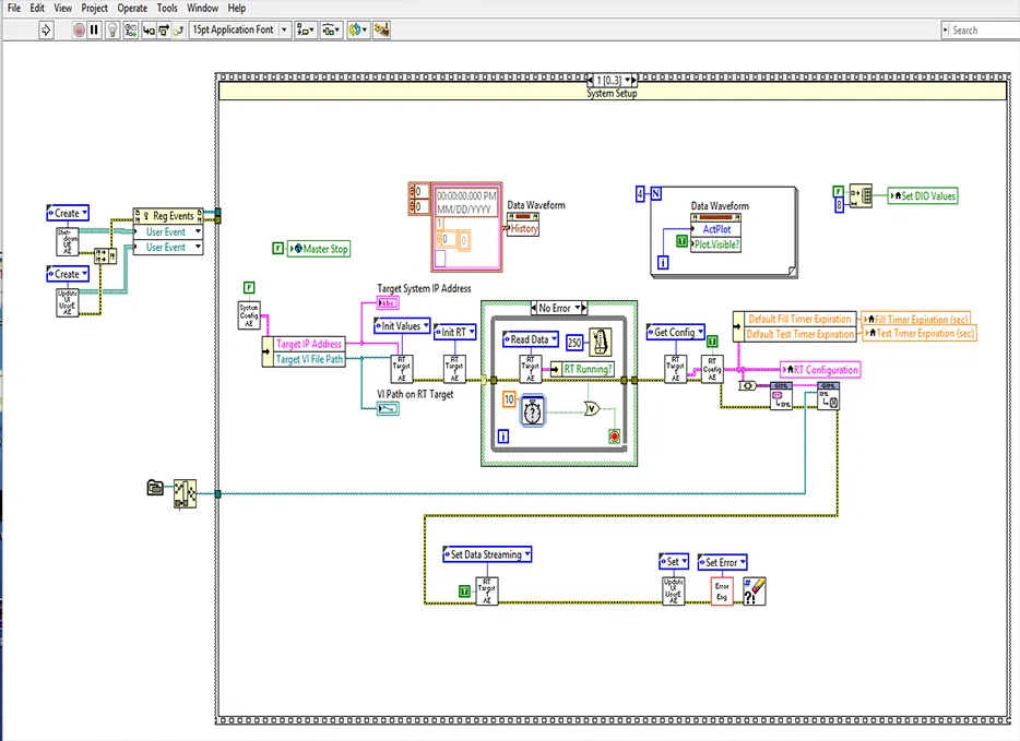
Here is an image of an architecture we have developed. The scalable nature of the software ensures that the software is easily maintainable when changes are required. From our point of view, this allows for easier development and maintenance due to adhered software standards.
Along with easier development, comes faster development and reduced costs thus providing the capability for software with greater complexity at a fraction of the cost of ‘line-based’ code. This ensures your engineering problems go from inception to problem solved in as little time as possible.
Digilogic Systems Limited (formerly known as Digilogic Systems Private Limited) headquartered in Hyderabad, is an AS9100D and ISO 9001:2015 certified company offering test solutions and simulation systems for defence and aerospace sectors.
#102, 1st floor, DSL Abacus Tech Park, beside DSL Virtue Mall,
Uppal, Hyderabad, Telangana-500039.
#216, 3rd Floor, Zareen Heights, Varthur Road, Nagavarapalya,
C. V. Raman Nagar, Bengaluru, Karnataka – 560093.
© 2026 Digilogic Systems Limited